產品目錄/ Product
|
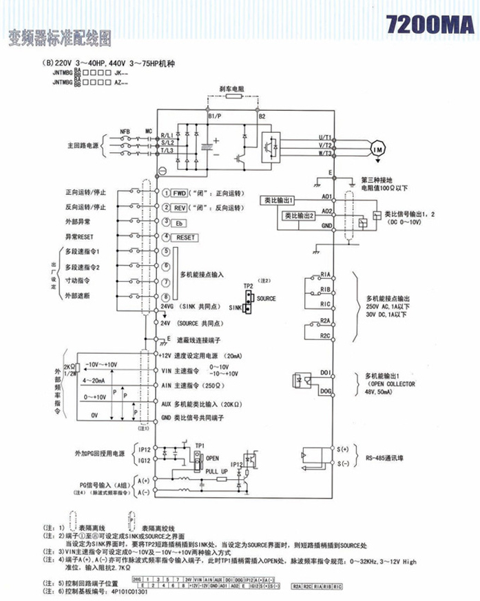
TECO東元變頻器7200MA1、東元變頻器7200MA特色:高功能泛用向量型 |








| 下一主題:東元變頻器A510 |
熱銷產品
|
TECO東元變頻器7200MA1、東元變頻器7200MA特色:高功能泛用向量型 |








| 下一主題:東元變頻器A510 |
Copyright @ 2014 東莞市盈一機電設備有限公司 All Rights Reserved
全國服務熱線:0769-85479919 售后:0769-85479929 傳真:0769-85479939
地址:東莞市虎門鎮懷德新村新區一巷一號
??